Главная страницаКаталог товаровАдаптеры и соединенияАдаптер тройник BSP(ш) 5/8" - BSPT(ш) 5/8" - BSP(ш) 5/8" (Vitillo SPA)

Адаптер тройник BSP(ш) 5/8" - BSPT(ш) 5/8" - BSP(ш) 5/8" (Vitillo SPA)

Код товара: 1905
Артикул: TMG10MGK08B
Наличие: Нет в наличии

Вы можете связаться с нами по телефону и уточнить возможность заказа данного товара.
Параметры товара
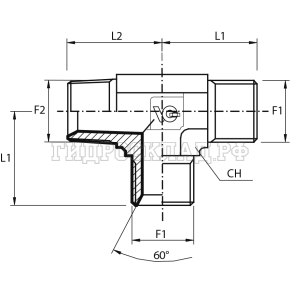
параметр значение
Резьба 1 5/8"
PN 200
Резьба 2 1/2"
L1 36.5
L2 40
CH 27
Корзина
Корзина пуста