Главная страницаКаталог товаровАдаптеры и соединенияАдаптер тройник BSP(ш) 1.1/4" - BSPT(ш) 1.1/4" - BSP(ш) 1.1/4" (Vitillo SPA)

Адаптер тройник BSP(ш) 1.1/4" - BSPT(ш) 1.1/4" - BSP(ш) 1.1/4" (Vitillo SPA)

Код товара: 1908
Артикул: TMG20MGK20B
Наличие: Нет в наличии

Вы можете связаться с нами по телефону и уточнить возможность заказа данного товара.
Параметры товара
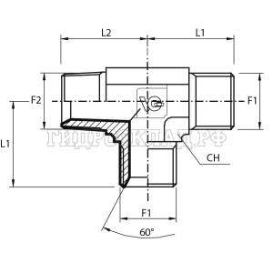
параметр значение
Резьба 1 1.1/4"
PN 105
Резьба 2 1.1/4"
L1 56
L2 60
CH 41
Корзина
Корзина пуста