Главная страницаКаталог товаровАдаптеры и соединенияАдаптер тройник BSP(ш) 1/8" - NPT(ш) 1/8" - BSP(ш) 1/8" (Vitillo SPA)

Адаптер тройник BSP(ш) 1/8" - NPT(ш) 1/8" - BSP(ш) 1/8" (Vitillo SPA)

Код товара: 1909
Артикул: TMG02MN02B
Наличие: Нет в наличии

Вы можете связаться с нами по телефону и уточнить возможность заказа данного товара.
Параметры товара
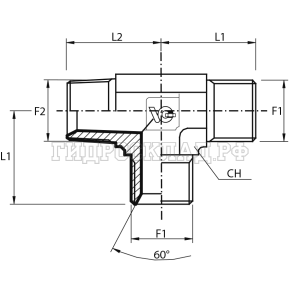
параметр значение
Резьба 1 1/8"
PN 350
Резьба 2 1/8"
L1 22
L2 20.5
CH 14
Корзина
Корзина пуста