Главная страницаКаталог товаровАдаптеры и соединенияАдаптер тройник BSP(ш) 1" - NPT(ш) 1" - BSP(ш) 1" (Vitillo SPA)

Адаптер тройник BSP(ш) 1" - NPT(ш) 1" - BSP(ш) 1" (Vitillo SPA)

Код товара: 1915
Артикул: TMG16MN16B
Наличие: Нет в наличии

Вы можете связаться с нами по телефону и уточнить возможность заказа данного товара.
Параметры товара
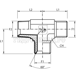
параметр значение
Резьба 1 1"
PN 120
Резьба 2 1"
L1 50
L2 50
CH 33
Корзина
Корзина пуста