Главная страницаКаталог товаровАдаптеры и соединенияАдаптер тройник NPT(F) 1" - NPT(F) 1" - NPT(ш) 1" (Vitillo SPA)

Адаптер тройник NPT(F) 1" - NPT(F) 1" - NPT(ш) 1" (Vitillo SPA)

Код товара: 1956
Артикул: TFFN16MN16P
Наличие: Нет в наличии

Вы можете связаться с нами по телефону и уточнить возможность заказа данного товара.
Параметры товара
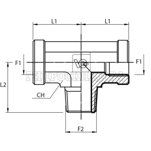
параметр значение
Резьба 1 1"
PN 120
Резьба 2 1"
L1 43
L2 55
CH 41
Корзина
Корзина пуста