Главная страницаКаталог товаровАдаптеры и соединенияАдаптер JIC(ш) 1.1/16" - DKM(ш) 22X1.5 (Vitillo SPA)

Адаптер JIC(ш) 1.1/16" - DKM(ш) 22X1.5 (Vitillo SPA)

Код товара: 2230
Артикул: AMJ12MM22
Наличие: Нет в наличии

Вы можете связаться с нами по телефону и уточнить возможность заказа данного товара.
Параметры товара
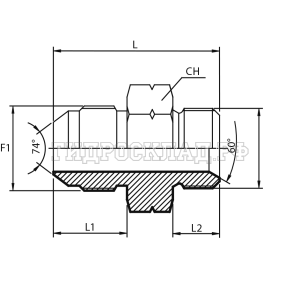
параметр значение
Резьба 1 1.1/16"
L 48
PN 240
Резьба 2 22X1.5
L1 21.9
L2 15
CH 30
Корзина
Корзина пуста