Главная страницаКаталог товаровАдаптеры и соединенияАдаптер JIC(ш) 1.1/16" - DKM(ш) 27X2 (Vitillo SPA)

Адаптер JIC(ш) 1.1/16" - DKM(ш) 27X2 (Vitillo SPA)

Код товара: 2231
Артикул: AMJ12MM27
Наличие: Нет в наличии

Вы можете связаться с нами по телефону и уточнить возможность заказа данного товара.
Параметры товара
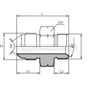
параметр значение
Резьба 1 1.1/16"
L 52
PN 240
Резьба 2 27X2
L1 21.9
L2 18.5
CH 32
Корзина
Корзина пуста