Главная страницаКаталог товаровАдаптеры и соединенияАдаптер JIC(ш) 1.5/16" - DKM(ш) 27X2 (Vitillo SPA)

Адаптер JIC(ш) 1.5/16" - DKM(ш) 27X2 (Vitillo SPA)

Код товара: 2232
Артикул: AMJ16MM27
Наличие: Нет в наличии

Вы можете связаться с нами по телефону и уточнить возможность заказа данного товара.
Параметры товара
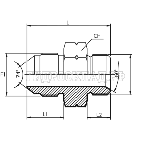
параметр значение
Резьба 1 1.5/16"
L 53
PN 210
Резьба 2 27X2
L1 23.1
L2 18.5
CH 36
Корзина
Корзина пуста