Главная страницаКаталог товаровАдаптеры и соединенияАдаптер 90° JIC(ш) 9/16" - BSPT(ш) 1/2" (Vitillo SPA)

Адаптер 90° JIC(ш) 9/16" - BSPT(ш) 1/2" (Vitillo SPA)

Код товара: 2597
Артикул: LMJ06MGK08
Наличие: Нет в наличии

Вы можете связаться с нами по телефону и уточнить возможность заказа данного товара.
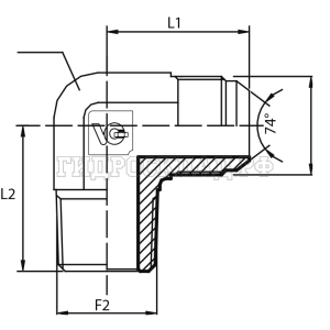
Параметры товара
параметр значение
Резьба 1 9/16"
PN 240
Резьба 2 1/2"
L1 32
L2 37.5
CH 22
Корзина
Корзина пуста