Главная страницаКаталог товаровАдаптеры и соединенияАдаптер 90° JIC(ш) 3/4" - BSPT(ш) 3/8" (Vitillo SPA)

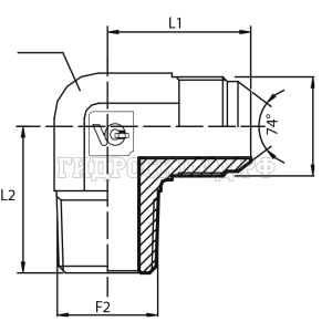
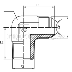
Адаптер 90° JIC(ш) 3/4" - BSPT(ш) 3/8" (Vitillo SPA)

Код товара: 2599
Артикул: LMJ08MGK06
Наличие: Нет в наличии

Вы можете связаться с нами по телефону и уточнить возможность заказа данного товара.
Параметры товара
параметр значение
Резьба 1 3/4"
PN 310
Резьба 2 3/8"
L1 32
L2 31
CH 19
Корзина
Корзина пуста