Главная страницаКаталог товаровАдаптеры и соединенияАдаптер 90° JIC(ш) 1.5/16" - BSPT(ш) 1" (Vitillo SPA)

Адаптер 90° JIC(ш) 1.5/16" - BSPT(ш) 1" (Vitillo SPA)

Код товара: 2609
Артикул: LMJ16MGK16
Наличие: Нет в наличии

Вы можете связаться с нами по телефону и уточнить возможность заказа данного товара.
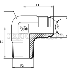
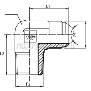
Параметры товара
параметр значение
Резьба 1 1.5/16"
PN 210
Резьба 2 1"
L1 46
L2 50
CH 33
Корзина
Корзина пуста