Главная страницаКаталог товаровАдаптеры и соединенияАдаптер 90° JIC(ш) 1/2" - NPT(ш) 1/8" (Vitillo SPA)

Адаптер 90° JIC(ш) 1/2" - NPT(ш) 1/8" (Vitillo SPA)

Код товара: 2614
Артикул: LMJ05MN02
Наличие: Нет в наличии

Вы можете связаться с нами по телефону и уточнить возможность заказа данного товара.
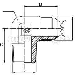
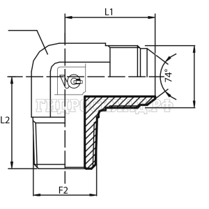
Параметры товара
параметр значение
Резьба 1 1/2"
PN 345
Резьба 2 1/8"
L1 25
L2 20
CH 14
Корзина
Корзина пуста