Главная страницаКаталог товаровАдаптеры и соединенияАдаптер 90° JIC(ш) 9/16" - NPT(ш) 1/4" (Vitillo SPA)

Адаптер 90° JIC(ш) 9/16" - NPT(ш) 1/4" (Vitillo SPA)

Код товара: 2617
Артикул: LMJ06MN04
Наличие: Нет в наличии

Вы можете связаться с нами по телефону и уточнить возможность заказа данного товара.
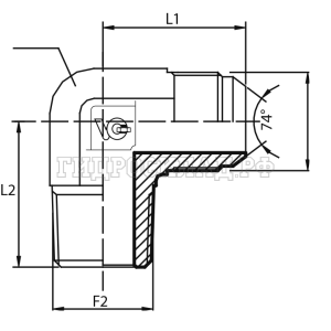
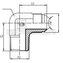
Параметры товара
параметр значение
Резьба 1 9/16"
PN 345
Резьба 2 1/4"
L1 27.5
L2 28
CH 14
Корзина
Корзина пуста