Главная страницаКаталог товаровАдаптеры и соединенияАдаптер 90° JIC(ш) 7/8" - NPT(ш) 3/8" (Vitillo SPA)

Адаптер 90° JIC(ш) 7/8" - NPT(ш) 3/8" (Vitillo SPA)

Код товара: 2624
Артикул: LMJ10MN06
Наличие: Нет в наличии

Вы можете связаться с нами по телефону и уточнить возможность заказа данного товара.
Параметры товара
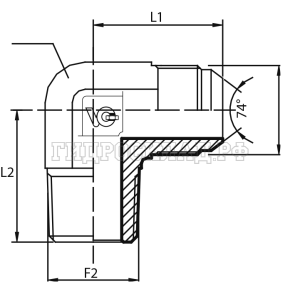
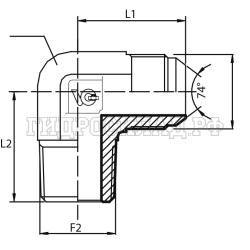
параметр значение
Резьба 1 7/8"
PN 240
Резьба 2 3/8"
L1 37
L2 31.5
CH 22
Корзина
Корзина пуста