Главная страницаКаталог товаровАдаптеры и соединенияАдаптер 90° JIC(ш) 7/8" - NPT(ш) 1/2" (Vitillo SPA)

Адаптер 90° JIC(ш) 7/8" - NPT(ш) 1/2" (Vitillo SPA)

Код товара: 2625
Артикул: LMJ10MN08
Наличие: Нет в наличии

Вы можете связаться с нами по телефону и уточнить возможность заказа данного товара.
Параметры товара
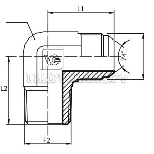
параметр значение
Резьба 1 7/8"
PN 240
Резьба 2 1/2"
L1 39
L2 40
CH 22
Корзина
Корзина пуста