Главная страницаКаталог товаровАдаптеры и соединенияАдаптер 90° JIC(ш) 7/8" - NPT(ш) 3/4" (Vitillo SPA)

Адаптер 90° JIC(ш) 7/8" - NPT(ш) 3/4" (Vitillo SPA)

Код товара: 2626
Артикул: LMJ10MN12
Наличие: Нет в наличии

Вы можете связаться с нами по телефону и уточнить возможность заказа данного товара.
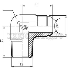
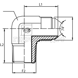
Параметры товара
параметр значение
Резьба 1 7/8"
PN 240
Резьба 2 3/4"
L1 40.5
L2 42
CH 27
Корзина
Корзина пуста