Главная страницаКаталог товаровАдаптеры и соединенияАдаптер 90° JIC(ш) 1.1/16" - NPT(ш) 1/2" (Vitillo SPA)

Адаптер 90° JIC(ш) 1.1/16" - NPT(ш) 1/2" (Vitillo SPA)

Код товара: 2627
Артикул: LMJ12MN08
Наличие: Нет в наличии

Вы можете связаться с нами по телефону и уточнить возможность заказа данного товара.
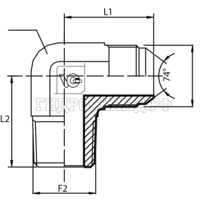
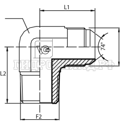
Параметры товара
параметр значение
Резьба 1 1.1/16"
PN 240
Резьба 2 1/2"
L1 42
L2 37.5
CH 27
Корзина
Корзина пуста