Главная страницаКаталог товаровАдаптеры и соединенияАдаптер 90° JIC(ш) 1.5/16" - NPT(ш) 3/4" (Vitillo SPA)

Адаптер 90° JIC(ш) 1.5/16" - NPT(ш) 3/4" (Vitillo SPA)

Код товара: 2629
Артикул: LMJ16MN12
Наличие: Нет в наличии

Вы можете связаться с нами по телефону и уточнить возможность заказа данного товара.
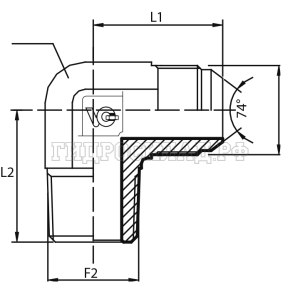
Параметры товара
параметр значение
Резьба 1 1.5/16"
PN 210
Резьба 2 3/4"
L1 46
L2 44.5
CH 33
Корзина
Корзина пуста