Главная страницаКаталог товаровАдаптеры и соединенияАдаптер тройник JIC(ш) 7/16" - BSPT(ш) 7/16" - JIC(ш) 7/16" (Vitillo SPA)

Адаптер тройник JIC(ш) 7/16" - BSPT(ш) 7/16" - JIC(ш) 7/16" (Vitillo SPA)

Код товара: 2974
Артикул: TMJ04MGK04B
Наличие: Нет в наличии

Вы можете связаться с нами по телефону и уточнить возможность заказа данного товара.
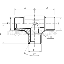
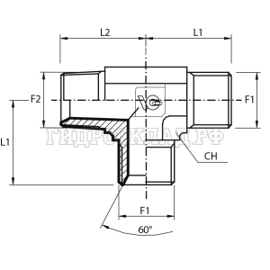
Параметры товара
параметр значение
Резьба 1 7/16"
PN 345
Резьба 2 1/4"
L1 24.5
L2 28
CH 14
Корзина
Корзина пуста