Главная страницаКаталог товаровАдаптеры и соединенияАдаптер тройник JIC(ш) 9/16" - BSPT(ш) 3/8" - JIC(ш) 9/16" (Vitillo SPA)

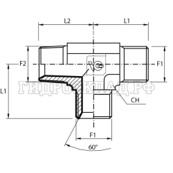
Адаптер тройник JIC(ш) 9/16" - BSPT(ш) 3/8" - JIC(ш) 9/16" (Vitillo SPA)

Код товара: 2976
Артикул: TMJ06MGK06B
Наличие: Нет в наличии

Вы можете связаться с нами по телефону и уточнить возможность заказа данного товара.
Параметры товара
параметр значение
Резьба 1 9/16"
PN 310
Резьба 2 3/8"
L1 32
L2 31
CH 19
Корзина
Корзина пуста