Главная страницаКаталог товаровАдаптеры и соединенияАдаптер тройник JIC(ш) 7/8" - BSPT(ш) 3/4" - JIC(ш) 7/8" (Vitillo SPA)

Адаптер тройник JIC(ш) 7/8" - BSPT(ш) 3/4" - JIC(ш) 7/8" (Vitillo SPA)

Код товара: 2978
Артикул: TMJ10MGK12B
Наличие: Нет в наличии

Вы можете связаться с нами по телефону и уточнить возможность заказа данного товара.
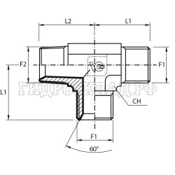
Параметры товара
параметр значение
Резьба 1 7/8"
PN 240
Резьба 2 3/4"
L1 39
L2 40
CH 27
Корзина
Корзина пуста