Главная страницаКаталог товаровАдаптеры и соединенияАдаптер тройник JIC(ш) 1.1/16" - BSPT(ш) 1.1/16" - JIC(ш) 1.1/16" (Vitillo SPA)

Адаптер тройник JIC(ш) 1.1/16" - BSPT(ш) 1.1/16" - JIC(ш) 1.1/16" (Vitillo SPA)

Код товара: 2979
Артикул: TMJ12MGK12B
Наличие: Нет в наличии

Вы можете связаться с нами по телефону и уточнить возможность заказа данного товара.
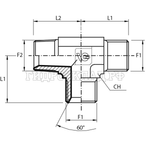
Параметры товара
параметр значение
Резьба 1 1.1/16"
PN 240
Резьба 2 3/4"
L1 42
L2 40
CH 33
Корзина
Корзина пуста