Главная страницаКаталог товаровАдаптеры и соединенияАдаптер тройник JIC(ш) 7/8" - NPT(ш) 7/8" - JIC(ш) 7/8" (Vitillo SPA)

Адаптер тройник JIC(ш) 7/8" - NPT(ш) 7/8" - JIC(ш) 7/8" (Vitillo SPA)

Код товара: 3003
Артикул: TMJ10MN12B
Наличие: Нет в наличии

Вы можете связаться с нами по телефону и уточнить возможность заказа данного товара.
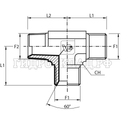
Параметры товара
параметр значение
Резьба 1 7/8"
PN 240
Резьба 2 3/4"
L1 40.5
L2 42
CH 27
Корзина
Корзина пуста