Главная страницаКаталог товаровАдаптеры и соединенияАдаптер тройник JIC(ш) 1.5/8" - NPT(ш) 1.5/8" - JIC(ш) 1.5/8" (Vitillo SPA)

Адаптер тройник JIC(ш) 1.5/8" - NPT(ш) 1.5/8" - JIC(ш) 1.5/8" (Vitillo SPA)

Код товара: 3006
Артикул: TMJ20MN20B
Наличие: Нет в наличии

Вы можете связаться с нами по телефону и уточнить возможность заказа данного товара.
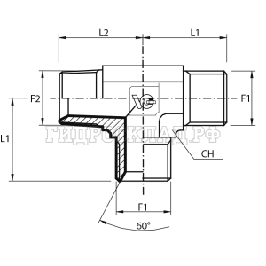
Параметры товара
параметр значение
Резьба 1 1.5/8"
PN 170
Резьба 2 1.1/4"
L1 57
L2 60
CH 41
Корзина
Корзина пуста