Главная страницаКаталог товаровАдаптеры и соединенияЗаглушка Metric 22x1.5(ш) SW=10 FormE (RASTELLI RACCORDI s.r.l.)

Заглушка Metric 22x1.5(ш) SW=10 FormE (RASTELLI RACCORDI s.r.l.)

Код товара: 34721
Артикул: TN185GG-22x1,5M
Наличие: Нет в наличии

Вы можете связаться с нами по телефону и уточнить возможность заказа данного товара.
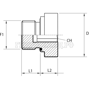
Параметры товара
параметр значение
Резьба 1 22x1.5
D 27
L1 14
L2 5
CH 10
kg100pz 5.1
Корзина
Корзина пуста