Главная страницаКаталог товаровАдаптеры и соединенияЗаглушка Metric 33x2(ш) SW=17 FormE (RASTELLI RACCORDI s.r.l.)

Заглушка Metric 33x2(ш) SW=17 FormE (RASTELLI RACCORDI s.r.l.)

Код товара: 34722
Артикул: TN185GG-33x2M
Наличие: Нет в наличии

Вы можете связаться с нами по телефону и уточнить возможность заказа данного товара.
Параметры товара
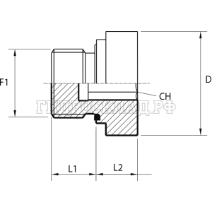
параметр значение
Резьба 1 33x2
D 40
L1 16
L2 6.5
CH 17
kg100pz 13
Корзина
Корзина пуста