Главная страницаКаталог товаровАдаптеры и соединенияАдаптер PIPE P=18 - BSPP 1/2"(ш) Form B (Vitillo SPA)

Адаптер PIPE P=18 - BSPP 1/2"(ш) Form B (Vitillo SPA)

Код товара: 4046
Артикул: AMG08TL18.1
Наличие: Нет в наличии

Вы можете связаться с нами по телефону и уточнить возможность заказа данного товара.
Параметры товара
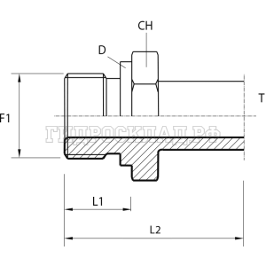
параметр значение
Резьба 1 1/2"
D 26
PN 315
L1 14
L2 45.5
CH 27
T 18
Series L
kg100pz 7.5
Аналоги

Для этого товара также есть следующие аналоги:

  • Rastelli TN126A-18LR 1/2"
Корзина
Корзина пуста