Главная страницаКаталог товаровАдаптеры и соединенияАдаптер PIPE P=10 - BSPP 3/8"(ш) Form B (Vitillo SPA)

Адаптер PIPE P=10 - BSPP 3/8"(ш) Form B (Vitillo SPA)

Код товара: 4052
Артикул: AMG06TS10.1
Наличие: Нет в наличии

Вы можете связаться с нами по телефону и уточнить возможность заказа данного товара.
Параметры товара
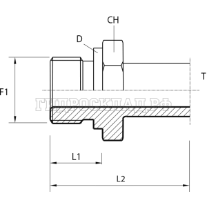
параметр значение
Резьба 1 3/8"
D 22
PN 630
L1 12
L2 44
CH 22
T 10
Series S
kg100pz 4.9
Корзина
Корзина пуста