Главная страницаКаталог товаровАдаптеры и соединенияАдаптер PIPE P=25 - BSPP 1"(ш) Form B (Vitillo SPA)

Адаптер PIPE P=25 - BSPP 1"(ш) Form B (Vitillo SPA)

Код товара: 4056
Артикул: AMG16TS25.1
Наличие: Нет в наличии

Вы можете связаться с нами по телефону и уточнить возможность заказа данного товара.
Параметры товара
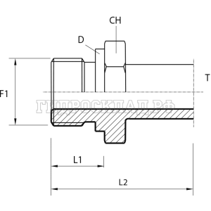
параметр значение
Резьба 1 1"
D 39
PN 400
L1 18
L2 66
CH 41
T 25
Series S
kg100pz 26
Корзина
Корзина пуста