Главная страницаКаталог товаровАдаптеры и соединенияАдаптер PIPE P= 8 - Metric 12x1.5(ш) Form B (Vitillo SPA)

Адаптер PIPE P= 8 - Metric 12x1.5(ш) Form B (Vitillo SPA)

Код товара: 4060
Артикул: AMM12TL08.1
Наличие: Нет в наличии

Вы можете связаться с нами по телефону и уточнить возможность заказа данного товара.
Параметры товара
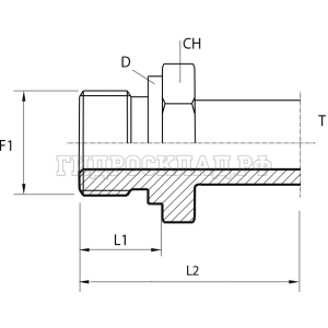
параметр значение
Резьба 1 12x1.5
D 17
PN 315
L1 12
L2 38.5
CH 17
T 8
Series L
kg100pz 2.5
Корзина
Корзина пуста