Главная страницаКаталог товаровАдаптеры и соединенияАдаптер PIPE P=18 - Metric 22x1.5(ш) Form B (Vitillo SPA)

Адаптер PIPE P=18 - Metric 22x1.5(ш) Form B (Vitillo SPA)

Код товара: 4064
Артикул: AMM22TL18.1
Наличие: Нет в наличии

Вы можете связаться с нами по телефону и уточнить возможность заказа данного товара.
Параметры товара
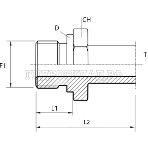
параметр значение
Резьба 1 22x1.5
D 27
PN 315
L1 14
L2 45.5
CH 27
T 18
Series L
kg100pz 7.5
Корзина
Корзина пуста