Главная страницаКаталог товаровАдаптеры и соединенияАдаптер PIPE P= 6 - Metric 12x1.5 Form E (Vitillo SPA)

Адаптер PIPE P= 6 - Metric 12x1.5 Form E (Vitillo SPA)

Код товара: 4107
Артикул: AMM12ELTS06.1
Наличие: Нет в наличии

Вы можете связаться с нами по телефону и уточнить возможность заказа данного товара.
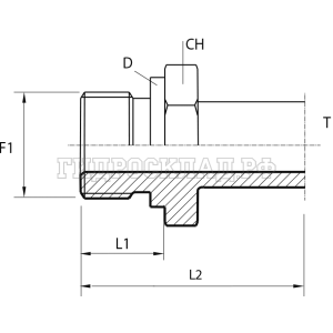
Параметры товара
параметр значение
Резьба 1 12x1.5
D 17
PN 630
L1 12
L2 39
CH 17
T 6
Series S
kg100pz 3.5
Аналоги

Для этого товара также есть следующие аналоги:

  • LARGA E417-306S M12X1.5
  • Rastelli TN126AGG-6SM 12X1.5
  • CAST 101214
Корзина
Корзина пуста