Главная страницаКаталог товаровАдаптеры и соединенияАдаптер PIPE P=10 - Metric 16x1.5 Form E (Vitillo SPA)

Адаптер PIPE P=10 - Metric 16x1.5 Form E (Vitillo SPA)

Код товара: 4109
Артикул: AMM16ELTS10.1
Наличие: Нет в наличии

Вы можете связаться с нами по телефону и уточнить возможность заказа данного товара.
Параметры товара
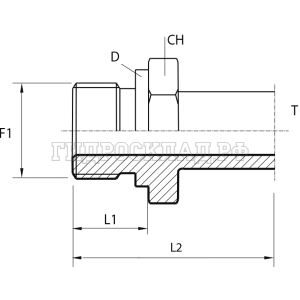
параметр значение
Резьба 1 16x1.5
D 22
PN 630
L1 12
L2 44
CH 22
T 10
Series S
kg100pz 4.9
Аналоги

Для этого товара также есть следующие аналоги:

  • LARGA E417-310S M16X1.5
  • Rastelli TN126AGG-10SM 16X1.5
  • CAST 101216
Корзина
Корзина пуста