Главная страницаКаталог товаровАдаптеры и соединенияЗаглушка BSPP 1/2"(ш) SW=10 Form E (Vitillo SPA)

Заглушка BSPP 1/2"(ш) SW=10 Form E (Vitillo SPA)

Код товара: 4317
Артикул: ATMG08ELX
Наличие: В наличии
Цена (розница):
310.00
Оптовая цена: Отправить запрос
Корзина:
Товар в Корзине
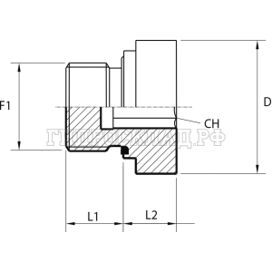
Параметры товара
параметр значение
Резьба 1 1/2"
D 27
L1 14
L2 5
CH 10
kg100pz 4.5
Аналоги

Для этого товара также есть следующие аналоги:

  • LARGA E336-1/2"
  • Rastelli TN185GG-1/2"R
  • CAST 107604
Корзина
Корзина пуста