Главная страницаКаталог товаровАдаптеры и соединенияЗаглушка BSPP 1.1/4"(ш) SW=22 Form E (Vitillo SPA)

Заглушка BSPP 1.1/4"(ш) SW=22 Form E (Vitillo SPA)

Код товара: 4320
Артикул: ATMG20ELX
Наличие: В наличии
Цена (розница):
1 295.00
Оптовая цена: Отправить запрос
Корзина:
Товар в Корзине
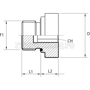
Параметры товара
параметр значение
Резьба 1 1.1/4"
D 50
L1 16
L2 6.5
CH 22
kg100pz 20.1
Аналоги

Для этого товара также есть следующие аналоги:

  • LARGA E336-1.1/4"
  • Rastelli TN185GG -1.1/4"R
  • CAST 107607
Корзина
Корзина пуста