Главная страницаКаталог товаровАдаптеры и соединенияЗаглушка BSPP 1.1/2"(ш) SW=27 Form E (Vitillo SPA)

Заглушка BSPP 1.1/2"(ш) SW=27 Form E (Vitillo SPA)

Код товара: 4321
Артикул: ATMG24ELX
Наличие: Ожидается
Цена (розница):
1 240.00
Оптовая цена: Отправить запрос
Корзина:
Товар в Корзине
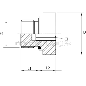
Параметры товара
параметр значение
Резьба 1 1.1/2"
D 55
L1 16
L2 6.5
CH 27
kg100pz 25.9
Аналоги

Для этого товара также есть следующие аналоги:

  • LARGA E336-1.1/2"
  • Rastelli TN185GG-1.1/2"R
  • CAST 107608
Корзина
Корзина пуста