Главная страницаКаталог товаровАдаптеры и соединенияЗаглушка Metric 26x1.5(ш) SW=12 FormE (Vitillo SPA)

Заглушка Metric 26x1.5(ш) SW=12 FormE (Vitillo SPA)

Код товара: 4329
Артикул: ATMM26ELX
Наличие: В наличии
Цена (розница):
540.00
Оптовая цена: Отправить запрос
Корзина:
Товар в Корзине
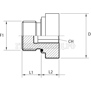
Параметры товара
параметр значение
Резьба 1 26x1.5
D 32
L1 16
L2 5
CH 12
kg100pz 7.8
Аналоги

Для этого товара также есть следующие аналоги:

  • LARGA E336-26X1.5
  • Rastelli TN185GG-26X1.5M
  • CAST 107708
Корзина
Корзина пуста