Главная страницаКаталог товаровАдаптеры и соединенияЗаглушка BSPP 1/2"(ш) SW=10 Form E (Китай)

Заглушка BSPP 1/2"(ш) SW=10 Form E (Китай)

Код товара: 47525
Артикул: 4BN-08WD
Наличие: Нет в наличии

Вы можете связаться с нами по телефону и уточнить возможность заказа данного товара.
Параметры товара
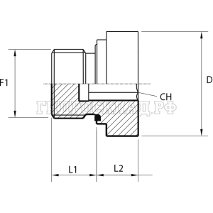
параметр значение
Резьба 1 1/2"
D 27
L1 14
L2 5
CH 10
kg100pz 4.5
Корзина
Корзина пуста