Главная страницаКаталог товаровАдаптеры и соединенияАдаптер 90° JIC(ш) 7/16" - NPT(ш) 1/4" (Китай)

Адаптер 90° JIC(ш) 7/16" - NPT(ш) 1/4" (Китай)

Код товара: 47548
Артикул: 1JN9-04
Наличие: Нет в наличии

Вы можете связаться с нами по телефону и уточнить возможность заказа данного товара.
Параметры товара
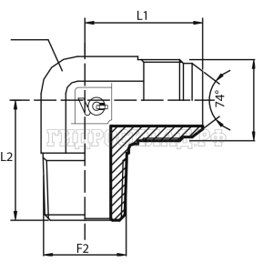
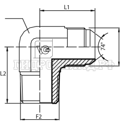
параметр значение
Резьба 1 7/16"
PN 345
Резьба 2 1/4"
L1 24.5
L2 28
CH 14
Корзина
Корзина пуста