Главная страницаКаталог товаровАдаптеры и соединенияАдаптер 90° JIC(ш) 1.5/16" - NPT(ш) 1" (Китай)

Адаптер 90° JIC(ш) 1.5/16" - NPT(ш) 1" (Китай)

Код товара: 47551
Артикул: 1JN9-16
Наличие: Нет в наличии

Вы можете связаться с нами по телефону и уточнить возможность заказа данного товара.
Параметры товара
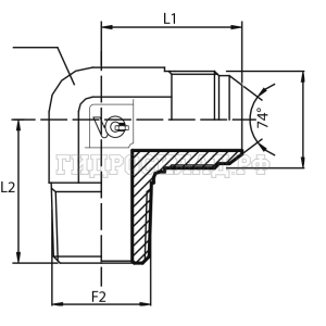
параметр значение
Резьба 1 1.5/16"
PN 210
Резьба 2 1"
L1 46
L2 50
CH 33
Корзина
Корзина пуста