Главная страницаКаталог товаровАдаптеры и соединенияАдаптер 90° JIC(ш) 1.1/16" - BSPT(ш) 3/4" (Китай)

Адаптер 90° JIC(ш) 1.1/16" - BSPT(ш) 3/4" (Китай)

Код товара: 48952
Артикул: 1JT9-12
Наличие: Нет в наличии

Вы можете связаться с нами по телефону и уточнить возможность заказа данного товара.
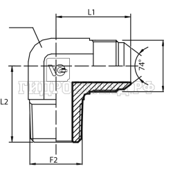
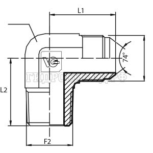
Параметры товара
параметр значение
Резьба 1 1.1/16"
PN 240
Резьба 2 3/4"
L1 42
L2 40
CH 33
Корзина
Корзина пуста