Главная страницаКаталог товаровАдаптеры и соединенияАдаптер 90° JIC(ш) 7/16" - NPT(ш) 3/8" (Vitillo SPA)

Адаптер 90° JIC(ш) 7/16" - NPT(ш) 3/8" (Vitillo SPA)

Код товара: 49187
Артикул: LMJ04MN06
Наличие: Нет в наличии

Вы можете связаться с нами по телефону и уточнить возможность заказа данного товара.
Параметры товара
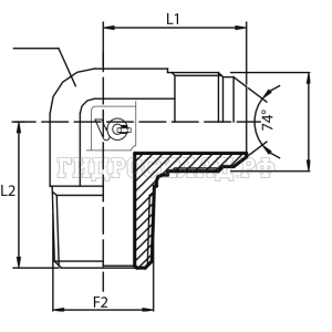
параметр значение
Резьба 1 7/16"
PN 345
Резьба 2 3/8"
L1 29
L2 30
CH 17
Корзина
Корзина пуста