Главная страницаКаталог товаровАдаптеры и соединенияАдаптер 90° JIC(ш) 3/4" - NPT(ш) 3/8" (Китай)

Адаптер 90° JIC(ш) 3/4" - NPT(ш) 3/8" (Китай)

Код товара: 49198
Артикул: 1JN9-08-06
Наличие: Нет в наличии

Вы можете связаться с нами по телефону и уточнить возможность заказа данного товара.
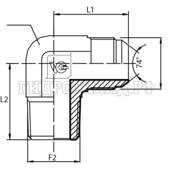
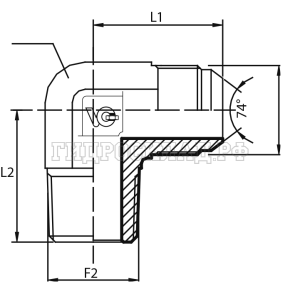
Параметры товара
параметр значение
Резьба 1 3/4"
PN 310
Резьба 2 3/8"
L1 33
L2 33
CH 19
Корзина
Корзина пуста