Главная страницаКаталог товаровАдаптеры и соединенияАдаптер 90° ORFS(ш) 1" - UNF(ш) 7/8" o.r.+ контргайка (Китай)

Адаптер 90° ORFS(ш) 1" - UNF(ш) 7/8" o.r.+ контргайка (Китай)

Код товара: 49530
Артикул: P1FO9-10OG
Наличие: Нет в наличии

Вы можете связаться с нами по телефону и уточнить возможность заказа данного товара.
Параметры товара
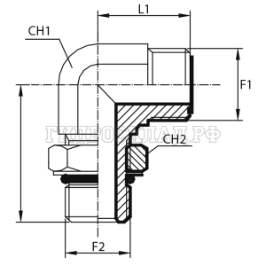
параметр значение
Резьба 1 1"
PN 420
Резьба 2 7/8"
CH1 27
CH2 27
L1 33.5
L2 50
Корзина
Корзина пуста