Главная страницаКаталог товаровАдаптеры и соединенияАдаптер ТС тройник P=35 45x2 - Metric 42x2(ш) контргайка+o.r. (верт.) (Vitillo SPA)

Адаптер ТС тройник P=35 45x2 - Metric 42x2(ш) контргайка+o.r. (верт.) (Vitillo SPA)

Код товара: 5060
Артикул: TME35LMOMR42B.1
Наличие: Нет в наличии

Вы можете связаться с нами по телефону и уточнить возможность заказа данного товара.
Параметры товара
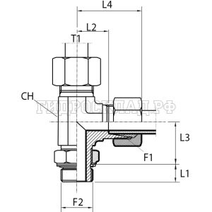
параметр значение
Резьба 1 45x2
PN 160
Резьба 2 42x2
L1 13.5
L2 38
CH 48
T 35
Series L
L3 48.5
kg100pz 124.5
L4 59
Аналоги

Для этого товара также есть следующие аналоги:

  • Rastelli TN516W-35LM 42X2
  • CAST 106812
Корзина
Корзина пуста