Главная страницаКаталог товаровАдаптеры и соединенияАдаптер ТС тройник P=16 24x1.5 - Metric 22x1.5(ш) контргайка+o.r. (верт.) (Vitillo SPA)

Адаптер ТС тройник P=16 24x1.5 - Metric 22x1.5(ш) контргайка+o.r. (верт.) (Vitillo SPA)

Код товара: 5066
Артикул: TME16SMOMR22B.1
Наличие: Нет в наличии

Вы можете связаться с нами по телефону и уточнить возможность заказа данного товара.
Параметры товара
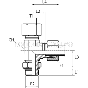
параметр значение
Резьба 1 24x1.5
PN 250
Резьба 2 22x1.5
L1 13
L2 25
CH 27
T 16
Series S
L3 37
kg100pz 42.8
L4 43
Аналоги

Для этого товара также есть следующие аналоги:

  • Rastelli TN516W-16SM 22X1.5
  • CAST 106819
Корзина
Корзина пуста