Главная страницаКаталог товаровАдаптеры и соединенияАдаптер ТС тройник P=25 36x2 - Metric 33x2(ш) контргайка+o.r. (верт.) (Vitillo SPA)

Адаптер ТС тройник P=25 36x2 - Metric 33x2(ш) контргайка+o.r. (верт.) (Vitillo SPA)

Код товара: 5068
Артикул: TME25SMOMR33B.1
Наличие: Нет в наличии

Вы можете связаться с нами по телефону и уточнить возможность заказа данного товара.
Параметры товара
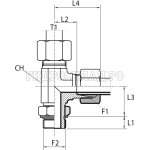
параметр значение
Резьба 1 36x2
PN 160
Резьба 2 33x2
L1 14
L2 30.5
CH 41
T 25
Series S
L3 43
kg100pz 105.5
L4 54.5
Аналоги

Для этого товара также есть следующие аналоги:

  • Rastelli TN516W-25SM 33X2
  • CAST 106821
Корзина
Корзина пуста