Главная страницаКаталог товаровАдаптеры и соединенияАдаптер ТС тройник P=30 42x2 - Metric 42x2(ш) контргайка+o.r. (верт.) (Vitillo SPA)

Адаптер ТС тройник P=30 42x2 - Metric 42x2(ш) контргайка+o.r. (верт.) (Vitillo SPA)

Код товара: 5069
Артикул: TME30SMOMR42B.1
Наличие: Нет в наличии

Вы можете связаться с нами по телефону и уточнить возможность заказа данного товара.
Параметры товара
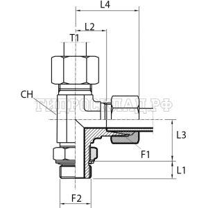
параметр значение
Резьба 1 42x2
PN 160
Резьба 2 42x2
L1 16
L2 36
CH 48
T 30
Series S
L3 52
kg100pz 141.5
L4 62
Аналоги

Для этого товара также есть следующие аналоги:

  • Rastelli TN516W-30SM 42X2
  • CAST 106822
Корзина
Корзина пуста