Главная страницаКаталог товаровАдаптеры и соединенияАдаптер тройник ORFS(ш) 9/16" гориз. контргайка (Vitillo SPA)

Адаптер тройник ORFS(ш) 9/16" гориз. контргайка (Vitillo SPA)

Код товара: 663
Артикул: TPPMO0606P
Наличие: Нет в наличии

Вы можете связаться с нами по телефону и уточнить возможность заказа данного товара.
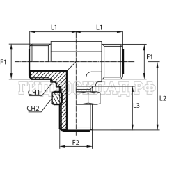
Параметры товара
параметр значение
Резьба 1 9/16"
PN 630
Резьба 2 9/16"
CH1 14
CH2 22
L1 21.5
L2 47
L3 31.5
Корзина
Корзина пуста