Главная страницаКаталог товаровАдаптеры и соединенияАдаптер 90° ORFS(ш) 1" - BSPP(ш) 1" o.r.+ контргайка (Vitillo SPA)

Адаптер 90° ORFS(ш) 1" - BSPP(ш) 1" o.r.+ контргайка (Vitillo SPA)

Код товара: 697
Артикул: LMO13MOG16
Наличие: Нет в наличии

Вы можете связаться с нами по телефону и уточнить возможность заказа данного товара.
Параметры товара
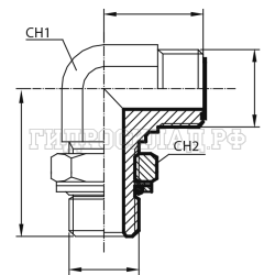
параметр значение
Резьба 1 1"
PN 200
Резьба 2 1"
CH1 33
CH2 41
L1 37
L2 58.5
Корзина
Корзина пуста